I. Pregled projekta
PV Storage, Charging and Swap Station pokriva približno 1.600 kvadratnih metrov površine. Je urbana-celovita predstavitvena energetska postaja, ki združuje fotonapetostno proizvodnjo električne energije, shranjevanje energije pri konični porabi energije, tekočinsko{4}}hlajeno ultra-hitro polnjenje, hitro polnjenje z enosmernim tokom, samodejno menjavo baterij ter inteligentno delovanje in vzdrževanje. Ocenjen je bil kot visoko{7}}kakovosten tipičen primer praktičnih projektov za preživetje ljudi za polnilno infrastrukturo v provinci Zhejiang.
Z usklajevanjem "vira, omrežja, obremenitve, shranjevanja, polnjenja in zamenjave" kot jedra projekt gradi nizko{0}}ogljično, učinkovito in varno mestno energetsko dopolnilno omrežje, ki zagotavlja integrirano rešitev za lastnike novih energetskih vozil in dispečiranje električnega omrežja, zapolnjuje vrzel v regionalnem celovitem energetskem dodatku in postavlja merilo za izgradnjo nove energetske infrastrukture v mestih.


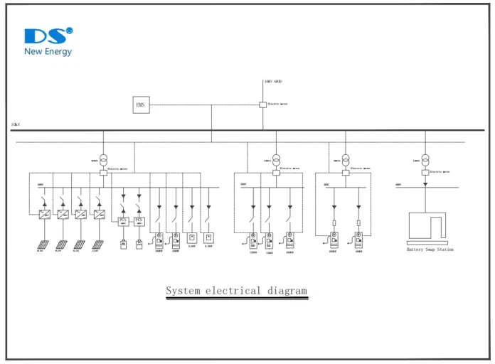
II. Osnovne tehnologije in konfiguracija
Postaja uporablja več-tehnološki integracijski model za realizacijo-poglobljene koordinacije fotovoltaičnih sistemov, sistemov za shranjevanje energije, polnjenja in zamenjave. Vse tehnične konfiguracije so dosegle vodilno raven v industriji, specifični parametri pa so prikazani v naslednji tabeli:
|
Vrsta sistema |
Osnovni parametri |
Posebna konfiguracija/zmogljivost |
Temeljne prednosti |
|
Fotovoltaični sistem za proizvodnjo električne energije |
Inštalirana zmogljivost |
264 kWp |
Integrirana fotonapetostna zasnova nadstreška za avtomobile, samo-proizvodnja in samo-uporaba, shranjevanje odvečne električne energije, prednostna oskrba z zeleno elektriko za polnjenje, močno zmanjšanje stroškov električne energije postaje in emisij ogljika ter realizacija učinkovite uporabe zelene električne energije. |
|
Letna proizvodnja električne energije |
198.000 kWh |
||
|
Obrazec za namestitev |
Integriran fotovoltaični nadstrešek za avto |
||
|
Način napajanja |
Samo{0}}proizvodnja in lastna-poraba, shranjevanje odvečne električne energije |
||
|
Sistem za shranjevanje energije |
Skupna zmogljivost |
430kWh/200kW (2 enoti × 215kWh/100kW) |
Realizira britje konic in polnjenje doline, rezervno napajanje v sili, izravnavo obremenitve in lahko sodeluje pri dispečiranju virtualne elektrarne. Podnevi shranjuje fotovoltaično zeleno elektriko in jo ponoči sprošča za polnjenje, s čimer razbremeni najvišji pritisk električnega omrežja in izboljša stabilnost napajanja postaje. |
|
Letna polnilna zmogljivost |
218.000 kWh |
||
|
Letna zmogljivost praznjenja |
191.000 kWh |
||
|
Način delovanja |
Peak{0}}regulacija doline, fotovoltaika in koordinacija shranjevanja energije |
||
|
Sistem polnjenja in zamenjave |
Polnilne terminale |
46 polnilnih pištol (vključno s 480kW tekočinsko-hlajenim ultra-hitrim polnjenjem, 120kW DC hitrim polnjenjem) |
Zajema vse scenarije ultra{0}}hitrega polnjenja, hitrega polnjenja in menjave baterij, s čimer izpolnjuje potrebe po energijskem dodatku različnih modelov vozil. Ima visoko učinkovitost polnjenja in hitro menjavo baterije, kar izboljša izkušnjo lastnikov avtomobilov z energetskim dodatkom in stopnjo menjave parkirnih mest. |
|
Tekočinsko{0}}hlajeno ultra-zmogljivost hitrega polnjenja |
10 minut polnjenja (20% → 80%), 5 minut dosega ≈ 300 kilometrov |
||
|
Naprave za zamenjavo baterij |
Avtomatska postaja za menjavo baterij, 3-minutna hitra menjava baterij |
||
|
Letna poraba električne energije |
Približno 3,4 milijona kWh za polnjenje, približno 550.000 kWh za zamenjavo baterije |
||
|
Napajanje, distribucija in inteligentni sistem |
Konfiguracija transformatorja |
2 enoti po 800 kVA + 2 enoti po 630 kVA |
Inteligentno dispečiranje, uresničevanje inteligentne distribucije električne energije, nadzor na daljavo, zgodnje opozarjanje na napake, izgradnja lokalne virtualne elektrarne, podpora interakciji-z omrežjem vozil in zagotavljanje varnega, učinkovitega in nizko{1}}ogljičnega delovanja postaje. |
|
Osnovna platforma |
Platforma za inteligentno upravljanje energije EMS |
||
|
Osnovne funkcije |
Inteligentna distribucija električne energije, nadzor na daljavo, zgodnje opozarjanje na napake, vizualizacija podatkov |
||
|
Koordinacija električnega omrežja |
Lokalna virtualna elektrarna, ki podpira interakcijo-z omrežjem vozil |
III. Tehnični poudarki
Po-poglobljena integracijaPVShranjevanje, polnjenje in menjava: Popolna pokritost več scenarijev, vključno s fotonapetostno neposredno oskrbo, vmesnim pomnilnikom za shranjevanje energije, ultra-hitrim polnjenjem in menjavo baterij, velikim izboljšanjem -stopnje lastne porabe zelene elektrike, realizacijo učinkovite krožne uporabe energije in gradnjo usklajene ekologije "vira, omrežja, obremenitve, shranjevanja, polnjenja in zamenjave".

Vodilna tehnologija ultra-hitrega polnjenja s tekočinskim{0}}hlajenjem: Sprejema 480kW tekočinsko{1}}hlajeno ultra{2}}tehnologijo hitrega polnjenja, ima prednosti visoke moči, nizkih izgub in lahkega pištolskega kabla, ki je združljiv z modeli 800V visoko-napetostne platforme, kar močno skrajša čas dopolnitve energije za lastnike avtomobilov in izboljša učinkovitost dopolnitve energije.

Učinkovita koordinacija vodila DC: Optimizacija sistemske arhitekture, sprejetje zasnove koordinacije vodila DC, zmanjšanje izgube energije med pretvorbo AC-DC, skupna učinkovitost sistema je večja ali enaka 95 % in izboljšanje učinkovitosti izrabe energije.

Mreži-prijazen dizajn: Uresničevanje britja konic in polnjenja doline prek sistema za shranjevanje energije, zmanjšanje povpraševanja po razširitvi zmogljivosti transformatorja in sodelovanje pri dispečiranju električnega omrežja kot lokalne virtualne elektrarne, izboljšanje stabilnosti električnega omrežja in uresničevanje benigne interakcije z električnim omrežjem.
Celoten-scenarij priročnih storitev: Sprejem 24-urnega nenadzorovanega načina delovanja, podpora brez-ogljične kabine (zagotavlja počitek, pitno vodo in preproste storitve obrokov) in samopostrežne-pralnice avtomobilov, ki lastnikom avtomobilov zagotavljajo energetski dodatek na enem mestu in priročno servisno izkušnjo.

IV. Vrednost projekta
1. Socialni prejemki
Učinkovito blaži bolečine zaradi dolgih čakalnih vrst za polnjenje in nevšečnosti pri menjavi baterij za lastnike novih energetskih vozil v mestih ter izboljšuje mestno energetsko dopolnilno omrežje; spodbuja brez{0}}ogljično preobrazbo javnih parkirišč in pomaga pri gradnji nove urbane infrastrukture; postavlja merilo uspešnosti za urbane celovite energetske storitve ter zagotavlja predstavitev in smernice za regionalni novi energetski razvoj.

2. Ekonomske koristi
Fotovoltaična lastna-proizvodnja in samo-uporaba močno zmanjšata stroške električne energije in obratovalne stroške postaje; sistem za shranjevanje energije poveča dodaten dohodek postaje prek arbitraže v-dolini; način-polnjevanja z veliko močjo in hitre menjave baterije izboljšata stopnjo obračanja parkirnih mest, s čimer dodatno izboljšata učinkovitost delovanja postaje in dosežemo trajnostno donosnost.
3. Okoljske koristi
Letno porabi približno 198.000 kWh fotonapetostne zelene električne energije, s čimer nadomešča tradicionalno porabo toplotne energije, zmanjša emisije ogljika za približno 158 ton letno (kar ustreza zasaditvi približno 8.700 dreves), pomaga doseči cilj "dvojnega ogljika" in izboljša regionalno ekološko okolje.

V. Veljavni scenariji
Projekt ima zrel in zelo ponovljiv model, ki ga je mogoče neposredno promovirati v naslednje scenarije:
Javna parkirišča v mestnih jedrih
Prometna vozlišča, storitvena območja hitrih cest
Industrijski parki, parkirišča komercialnih kompleksov
Specializirane postaje za javni prevoz, spletno iskanje avtomobilov-in logistična vozila
VI. Povzetek
Z vodilno tehnično konfiguracijo, izboljšanim servisnim sistemom in stabilnim načinom delovanja je integrirana postaja PV Storage, Charging and Swap postala merilo za integrirane projekte PV shranjevanja, polnjenja in zamenjave mest-na ravni, ki so izvedljivi, ponovljivi in donosni. Projekt ne rešuje le bolečih točk energetskega dodatka za lastnike novih energetskih vozil, ampak tudi dosega več ciljev učinkovite rabe energije, usklajenega razvoja električnega omrežja in nizko{2}}ogljičnega varstva okolja, s čimer zagotavlja referenčno standardno rešitev za gradnjo nove kitajske energetske infrastrukture in celovite energetske storitve.











